The LUSAC-25 (LUSAC = LePere US Army Combat) of 1919 was a development of the LUSAC-11.
Five are known to have been built: AS40025/40029.
The LUSAC-25 (LUSAC = LePere US Army Combat) of 1919 was a development of the LUSAC-11.
Five are known to have been built: AS40025/40029.

Circa 1919, the two place open cockpit biplane Packard A was Packard’s entry, featuring a self-starter, was planned for a civil market that failed to develop.
Only one was built, registered cn 01, N707.
A two place open cockpit biplane with a 200hp Packard-Liberty 8 found in the registers might be this ship, but it was not specified as actually a Packard Co product. The registry shows several private owners in Mt Clemens and Saginaw.
Engine: 160hp Packard 8
Useful load: 647 lb
Speed: 102 mph
Ceiling: 19,500′
Seats: 2

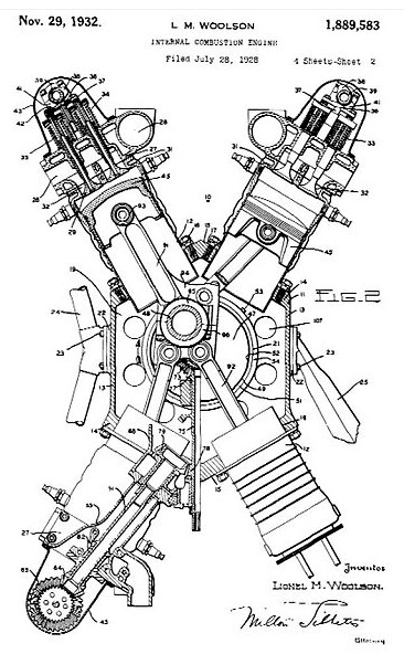
The Packard DR-980 is an American nine-cylinder air-cooled aircraft diesel engine. First run in 1928 it was unpopular despite its economy and reliability due to the unpleasant nature of its diesel exhaust fumes and considerable vibration when running; approximately 100 were built at a unit cost of $4,025.
Designed by Captain Lionel Woolson and Professor Herman Dohner, the DR-980 made the first cross-country flight with a Diesel-powered aircraft in the United States when Woolson flew from Detroit to Langley Field in 1929, a distance of 700 miles (1,126 km) with a flight time of 6 hours and 40 minutes. On a later flight in a Stinson Detroiter from Detroit to Miami, the new engine showed its economy, the cost for fuel consumption being less than one cent a mile. This aircraft (complete with its engine) is preserved at the Golden Wings Flying Museum.
In 1930, the DR-980 passed its 50-hour certification test with a continuous rating of 225 hp (168 kW) at 1,950 rpm. Production of the DR-980 ceased following the death of Captain Woolson in an aviation accident in April 1930; his legacy was the award of the Collier Trophy in 1931 to the Packard Motor Car Company for its work with this type of engine.
On 28 May 1931, a Bellanca CH-300 fitted with a DR-980, piloted by Walter Edwin Lees and Frederick Brossy, set a record for staying aloft for 84 hours and 32 minutes without being refueled. This record was not broken until 55 years later by the Rutan Voyager.
Applications:
Bellanca CH-200
Bellanca CH-300
Brunner-Winkle Bird
Buhl Airsedan
Ford Model 11
O-17 Courier
Stewart M-2
Stinson Detroiter
Verville Sport Trainer
Waco HSO and HTO
Specifications:
Type: 9-cylinder Diesel radial engine
Bore: 4 13/16 in (122.2 mm)
Stroke: 6 in (152.4 mm)
Displacement: 980 cu.in (16 lt)
Dry weight: 550 lb (227 kg)
Valvetrain: One valve per cylinder, overhead valve
Fuel type: Diesel oil
Cooling system: Air-cooled
Power output: 240 hp (179 kW) at 2,000 rpm
Specific power: 0.25 hp/cu.in (11.2 kW/L)
Power-to-weight ratio: 0.44 hp/lb (0.8 kW/kg)

Packard was founded in 1899 by two brothers, James Ward Packard (5 November 1863 – 20 March 1928) and William Doud Packard (November 3, 1861 – November 11, 1923) of Warren, Ohio who ran the Packard Electric Company. In 1926 about 20 New York business men, including James Packard, and a group of US Navy officers expressed an interest in building an airplane designed to break the standing air speed record. Navy officials agreed that they would finance the proposal when funds became available. The aircraft was to be completed in time to participate in the 1927 Schneider Trophy Race, which would be held in Italy.
The engine was designed by Navy Captain Lionel Melville Woolson, an aeronautical engineer at the Packard Motor Company of Detroit. The engine was an “X” configured design similar to one upright and one inverted V-12 engine mounted on the same crankshaft with a common crankcase. With 5.375 in (136.5 mm) bore and 5 in (130 mm) stroke, the resulting displacement was 2,775 cu in (45.47 l). The engineering involved in the design of the crankshaft, single piece crankcase and the master/slave rod system was very complex.
The connecting rods were a master-slave design similar to that used on a radial engine. This resulted in the 5 in stroke becoming slightly longer in three of four banks, and resulted in slightly more displacement than the theoretical 2,722.88 cu in (44.6200 l) produced by an engine of that bore and stroke. The engine produced 1,250 hp (930 kW) at 2,700 rpm and weighed 1,402 lb (636 kg).
The crank cheeks were used as main bearing journals, and were 7.75 in (197 mm) in diameter. This was necessary to keep the crankshaft length the same as the 1A-1500 engine so that 1A-1500 components could be used, and to keep the weight as low as possible. The single piece crankcase was designed to save weight and give maximum strength, but made assembly of the engine difficult. The engine was finished by August 1927.
Often called the Packard X-2775, Packard’s official designation for this engine was 1A-2775 in 1927 and 1928, and 2A-2775 in 1935.
The Navy’s Bureau of Aeronautics ordered a second supercharged engine under their original contract No. 3224. It was equipped with a special Roots-type supercharger. It was ordered with a supercharger when it was discovered that it would be necessary to supercharge the engine in order to equal the reported speeds of the other contestants.
The Bureau of Aeronautics analyzed the possibilities of the plane becoming a competitive race plane, and decided that the extra weight of the supercharger could be better put to use by installing an epicyclic reduction gear, for improved propeller efficiency, thereby providing greater improvement in performance than what the supercharged engine with a direct drive propeller could provide for the same weight.
It was further planned to increase the compression ratio of the engine, improving its performance with no increase in weight, but needed to secure dynamometer data on the supercharged engine to make a final decision. The dynomometer tests indicated the power output was only 1,300 hp (970 kW) @ 2,800 rpm due to the large impeller clearance that allowed only 7.7 in (200 mm) Hg boost. After reducing the impeller clearances, the supercharger then produced 9.6 in (240 mm) Hg of boost and the engine produced 1,500 hp (1,100 kW) at 2,700 rpm.
The first engine later received an epicyclic propeller reduction gear made by Allison, an increase in its compression ratio, a Scintilla magneto ignition, and the new design cylinder banks of the 3A-1500 inverted engines, a design that had both spark plugs on the outside for easier maintenance.
Official Packard photographs of this engine are marked “model 2A-2775”, and photographs of the earlier versions are marked “not to be released to the press — hereafter only 2A-2775 are to be released — per Capt. Woolson.” Most of the published photographs are of this engine. In spite of Captain Woolson’s note, it was identified as either a 1A-2775 or the “Packard X engine.”
The engine was advertised as being available “built-to-order” as late as September 1930 at $35,000 each. No orders were received, and because only two engines were built, both for the Navy as X-2775s, the Packard model designation of 2A-2775 never came into public use.
Engine No. 2 also received the new style cylinder banks and was tested both with and without the reduction gear. The direct drive and reduction gear units were interchangeable, and were switched between the two engines as needed.
Engine No. 1 in its most modified version, with high compression, reduction gear and late type cylinder banks, was used in the Naval Aircraft Factory Mercury racing plane with engine 1A-2775, Serial No. 1, Bureau No. 10960, as a U. S. entry in the 1929 Schneider Trophy.
Engine No. 1 is the only known 1A-2775 survivor and it was given by the Navy to the Smithsonian in 1971. It is in the same configuration as it was when used in the Mercury racer.
Packard apparently built a third engine some time after 1931 when the Navy had stopped testing its engines. No photographs of this engine have been found, but engineering data dated in early 1939 show a 2A-2775 with an output of 1,900 hp (1,400 kW) @ 2,800 rpm. BMEP was listed as 196 psi (1,350 kPa) indicating the engine was supercharged.
Variants:
1A-2775 No.1
rated at 1,200 hp (890 kW) at 2600 rpm and max of 1,250 hp (930 kW)at 2700 rpm, – Weight 1,513 lb (686 kg).
1A-2775 No.2
rated at 1,400 hp (1,000 kW) at 2600 rpm and max of 1,500 hp (1,100 kW) at 2700 rpm, – Weight: 1,635 lb (742 kg) – Supercharged (1928)
2A-2775 No.3
rated at 1,900 hp (1,400 kW) at 2800 rpm, – Weight: 1,722 lb (781 kg).- Supercharged (1935)
Applications:
Kirkham-Williams X
Naval Aircraft Factory SP (aka Mercury Racer)
Specifications:
1A-2775
Type: 24-cylinder, liquid-cooled, X-configured, piston engine
Bore: 5.375 in (136.5 mm)
Stroke: 4 in (100 mm)
Displacement: 2,723 cu in (44.62 l)
Dry weight: 1,635 lb (742 kg).
Valvetrain: 4-valve, overhead-cam
Supercharger: Gear-driven supercharger
Power output: 1,400 hp (1,000 kW) at 2600 rpm
Specific power: .50 hp/cu.in (22.753 kW/l)
Power-to-weight ratio: .85 hp/lb (1.397 kW/kg)

The Packard 1A-2500 is an American V-12 cylinder liquid-cooled aircraft engine designed and first run in 1924. Of the five variants produced the 3A-2500 was the most numerous.
Equipment supplied was a fuel pump, propeller hub attaching parts, and tool kit. Available at extra cost was an Aeromarine starter.
A total of 258 were built. The unit cost for the geared 3A-2500 was $19,375.
The marine version of this engine was used in most PT boats as the 3M/4M/5M-2500.

Variants:
1A-2500
1924, 800 hp. Six built.
2A-2500
1925, 800 hp. 75 built.
3A-2500
1926, Geared propeller drive option, 800 hp. 175 built.
4A-2500
1927, fitted with a supercharger, 900 hp. One built.
5A-2500
1930, experimental use only, 1500 hp. One built.
Specifications:
A2500
Type: V-12 water cooled
Approved Type Certificate No.19
Military Rating: 835 hp at 2100 rpm
Commercial Rating: 800 hp at 2000 rpm
Displacement: 2540 cu.in
Compression ratio: 5.1-1
Bore: 6 3/8 in
Stroke: 6 1/2 in
Length: 69 3/4 in
Width: 29 1/2 in
Height: 42 in
Weight: 1210 lb
Fuel consumption: not more than .52 lb/hp/hr
Oil consumption: not more than .025 lb/hp/hr
Ignition: Delco or Sintilla dual
Carburation: Dual Stromberg NAS-12
Spark plugs: 2 per cylinder B.G. Hornet
Price: direct drive $15,625 – geared $19,375
1A-2500
Type: 12-cylinder V engine
Bore: 6 3⁄8 in (160 mm)
Stroke: 6 1⁄2 in (170 mm)
Displacement: 2,490 cu in (40.8 L)
Dry weight: 1,120 lb (510 kg)
Valvetrain: Four valves per cylinder, overhead camshaft
Fuel type: Petrol
Cooling system: Liquid-cooled
Power output: 850 hp (630 kW) at 2,500 rpm
Specific power: 0.33 hp/cu.in (15.2 kW/lt)
Power-to-weight ratio: 0.76 hp/lb (1.25 kW/kg)

The Packard 1A-1500 was an American 12-cylinder liquid-cooled 60-degree Vee piston aircraft engine designed in 1924.
Standard equipment was a fuel pump, propeller hub attaching parts, and tool kit.
Test flown in the second prototype Douglas XO-2 it proved to be unreliable. Only 29 engines were built.
Applications:
Boeing Model 15
Boeing XP-4
Curtiss Falcon
Douglas XO-2
Loening OL
Specifications:
1A-1500
Type: 12 cylinder water cooled V-type
Military Rating: 525 hp at 1900 rpm
Commercial Rating: 600 hp at 2500 rpm
Power output: 520 hp (387.8 kW) at 2,200 rpm for takeoff
Specific power: 0.27 hp/cu.in (12.4 kW/lt)
Displacement: 1530 cu.in (24.5 lt)
Compression ratio: 5.1-1
Bore: 5 3/8 in (136.5 mm)
Stroke: 5 1/2 in (140 mm)
Length: 65 1/16 in
Width: 27 in
Height: 39 in
Weight: 800 lb
Dry weight: 720 lb (326.5 kg)
Power-to-weight ratio: 0.53 hp/lb (0.87 kW/kg)
Fuel consumption: not more than .55 lb/hp/hr
Oil consumption: not more than .025 lb/hp/hr
Valvetrain: Four valves per cylinder, overhead camshaft
Lubrication: Pressure, dry sump, double scavenged
Ignition: Delco or Scintilla dual
Carburation: Dual Strombeerg NAY 6P
Spark plugs: 2 per cylinder B.G. Hornet
Price: direct dive $12,000 – geared $17,375

The 1929 Packard sesquiplane was powered by a radial Wright diesel engine.
Packard Motor Co
Packard was founded in 1899 by two brothers, James Ward Packard (5 November 1863 – 20 March 1928) and William Doud Packard (November 3, 1861 – November 11, 1923) of Warren, Ohio who ran the Packard Electric Company. In 1926 about 20 New York business men, including James Packard, and a group of US Navy officers expressed an interest in building an airplane designed to break the standing air speed record. Navy officials agreed that they would finance the proposal when funds became available. The aircraft was to be completed in time to participate in the 1927 Schneider Trophy Race, which would be held in Italy.
The engine was designed by Navy Captain Lionel Melville Woolson, an aeronautical engineer at the Packard Motor Company of Detroit. The engine was an “X” configured design similar to one upright and one inverted V-12 engine mounted on the same crankshaft with a common crankcase. With 5.375 in (136.5 mm) bore and 5 in (130 mm) stroke, the resulting displacement was 2,775 cu in (45.47 l). The Packard X-2775 engineering involved in the design of the crankshaft, single piece crankcase and the master/slave rod system was very complex.
Built in 1959, the single place, low wing monoplane midget racer ‘Grey Ghost’, alias ‘Little A-Go-Go’, alias ‘Little Bit’, registered N211P, raced from 1959 to 1969. The fastest race speed achieved was 188 mph.
Engine: 85hp Continental C-85
Wingspan: 13’0″
Length: 16’0″

Built in 1950, the midget racer ‘Stars & Bars’ aka ‘Johnny Reb’ was piloted by Joe Magnano and Al Bennyworth. Registered N66319 it was damaged in mid-air collision during a 1950 race and rebuilt.

Engine: Continental C-85, 85hp
Wingspan: 14’8″
Length: 17’0″
Cruise speed: 175 mph
Seats: 1