
The R180 radial design uses five Volkswagon air cooled cylinders and a supercharger. The supercharger pressure filling of the cylinders overcomes the side valve’s tendency toward lower volumetric efficiency.
The side valves reduce the over all cylinder height and exposed diameter of the engine.

A feature of the R180 is the all cylinder compression relief. Originally added to make electric starting easier, with the relief valve open, there is no possibility of hydraulic lock in the bottom cylinder.
The crankcase of the first engine was built up from plate but further engines use castings.
Testing has been carried out in a Fly Baby.
In 2010 a complete set of engineering drawings and parts list with item numbers and suppliers for stock automotive components sold for US$130.00.
The kits available in 2010 were:
- Unmachined aluminum castings US$1,400.00
- Machinist kit, including machined case, heads, subheads, and mount lugs cam finished master rod and link rods (no bushings or knuckle pins) crank (main, pin, weights, cheekplate tail) complete drawings assembly guide video. It excludes standard automotive components
$5,200.00 - Complete kit, plans, and video. Complete and ready to assemble includes Ignition and Engine Mount Design, but Fuel System Sold Separately US$9,995.00
- Assembled engine run tested and performance verified including Ignition and Engine Mount Design but Fuel System Sold Separately US$12,000.00
Standard automotive components
5 VW Piston, Ring, & Cylinder Sets
Tapered, Roller, and Ball Bearings
Valves, Valve Seats, Valve Springs, Valve Keepers, Valve Locks
Aircraft and Automotive Bolts, Nuts, and Washers
GM Ignition Components
A specific, itemized list is included with the kits.
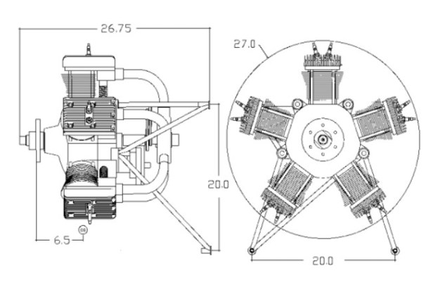
Horsepower 75 @ 2150 rpm
Weight 122 lbs.
Displacement 180 cubic inches
Bore 3.625 inches
Stroke 3.5 inches
Compression Ratio 7:1
Intake Valve 1.8 in.
Exhaust Valve 1.2 in.
Valve Lift (all) 0.250 in.
Valve Clearance 0.014 in.
Ignition Timing Start TDC
Ignition Timing Run 38 deg. btc
Supercharger drive ratio 9:1
Supercharger flow 1450 fpm
Oil Pump Capacity 5.5 qt./min. @ 2150 rpm
Scavange/feed pump 8:3 ratio
Main/thrust bearings Tapered roller
Master rod bearings Two row ball
Link rod bearings Plain journal bearings
Cycle: 4 stroke
No cylinders: 5
Bore: 94 mm
Stroke: 89 mm
Compression: 8
Displacement: 3080 cc
Cooling: Air
Ignition: Double electronic
Reduction: None
Weight: 54 kg
Max pwr: 75 hp at 2150 rpm
Kit Price 1998: $9600
